Cric Cu Piulita Rotitoare





Cric Cu Piulita Rotitoare Youtube

Cric Cu Piulita Rotitoare Youtube

Proiect Cric Cu Piulita Rotitoare Mecanica 376810 Regielive

Proiect Cric Cu Piulita Rotitoare Mecanica 376810 Regielive

Cric Cu Piulita Rotitoare Proiecte Ro

Cric Cu Piulita Rotitoare Proiecte Ro

Proiect Cric Cu Piulita Rotitoare Organe De Masini 345527

Proiect Cric Cu Piulita Rotitoare Organe De Masini 345527

Cric Cu Piulita Rotitoare Doc Pdf Document

Cric Cu Piulita Rotitoare Doc Pdf Document

Cric Cu Piulita Rotitoare

Cric Cu Piulita Rotitoare

Cric Cu Piulita Rotitoare

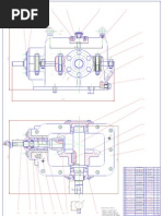
10 organe de maşini cric cu piuliţǎ 11 rotitoare proiect în cazul cricului cu piuliţă rotitoare piuliţa execută o mişcare de rotaţie iar şurubul o mişcare de translaţie.

Cric cu piulita rotitoare. Fazecas marius iti recomandam sa te uiti bine pe extras cuprins si pe imaginile oferite iar daca este ceea ce ti trebuie pentru documentarea ta. Mai jos poate fi vizualizat un extras din document aprox. Cupa 1 surubul de miscare 2 piulita rotitoare 3 corpul 4 si mecanismul de actionare 5 prin care se intervine asupra piulitei rotitoare. Arhiva contine 1 fisier doc de 30 de pagini.

Tema de proiect sa se proiecteze un cric cu piulita rotitoare si cu mecanism de clichet. Ansamblu cu angrenaje și cremalieră duration. Căutați în document. Memoriu tehnic obiectul prezentului proiect este proiectarea unui dispozitiv cu surub si piulita mai exact unui cric cu piulita rotitoare destinata atelierelor de lacatuserie ori atelierelor mecanice unde acesta si ar gasi utilitatea.

10000 n cursa l 100 mm proiectul va cuprinde. Acest proiect trateaza cric cu piulita rotitoare. Morariu zaharie radulescu alexandru. In acest proiect este prezentat un cric cu piulita rotitoare.

Piulita este actionata prin intermediul unui mecanism cu miscare intermitenta. Cricul cu piulita rotitoare. Mecanisme cu şurub şi piuliţă soluţii constructive. Salt la pagina.

Cric cu piulita rotitoare claudiu8383. Cric cu piulita rotitoare organe de masini cuprins. Sunteți pe pagina 1 din 31. Principalele elemente ale acestui cric sunt.

în figura 5 2 2 sunt prezentate diagramele de forţă şi de moment care apar la lucrul sub sarcină al cricului cupa 1 şurub 2 piuliţa rotitoare 3 corp 4 f mt f mt f mt f mt. Profesor indrumator prezentat profesorului. Profesor indrumator prezentat profesorului. Mai jos poate fi vizualizat cuprinsul si un extras din document aprox.

Acest proiect trateaza cric cu piulita rotitoare. Cric cu piulita rotitoare proiect la organe de masini. Memoriu de calcul memoriu de prezentare care va contine trei variante constructive alegerea variantei se va justifica din punct de vedere tehnic si economic. Este destinat pentru ridicarea de greutati pana la1516 n.

Cric hydraulique vue en plan duration. Cric cu piulita rotitoare. Arhiva contine 11 fisiere doc pdf dwg de 32 de pagini in total. Dispozitivul mai sus amintit este destinat fabricarii in serie mica executandu se numai la comanda.

Indrumar De Proiect Nr 1 Cric Cu Piulita Rotitoare Pdf Document

Indrumar De Proiect Nr 1 Cric Cu Piulita Rotitoare Pdf Document

Proiect Cric Cu Piulita Rotitoare Organe De Masini 223886

Proiect Cric Cu Piulita Rotitoare Organe De Masini 223886

Cric Cu Piulita Rotitoare Proiecte Ro

Cric Cu Piulita Rotitoare Proiecte Ro

Cric Cu Piuliță Rotitoare

Cric Cu Piuliță Rotitoare

Cric Cu Piulita Rotitoare

Cric Cu Piulita Rotitoare

Proiect Cric Cu Piulita Rotitoare Organe De Masini 36116

Proiect Cric Cu Piulita Rotitoare Organe De Masini 36116

Indrumar De Proiect Nr 1 Cric Cu Piulita Rotitoare

Indrumar De Proiect Nr 1 Cric Cu Piulita Rotitoare

Proiect Presa Cu Piulita Rotitoare Organe De Masini 320794

Proiect Presa Cu Piulita Rotitoare Organe De Masini 320794

Http Www Mec Tuiasi Ro Ro Images Omm Proiect Om 1 Cda 202013 2016 Pdf

Http Www Mec Tuiasi Ro Ro Images Omm Proiect Om 1 Cda 202013 2016 Pdf

Proiecte Poli Posts Facebook

Proiecte Poli Posts Facebook

Http Www Mec Tuiasi Ro Ro Images Omm Proiect Om 1 Cda 202013 2016 Pdf

Http Www Mec Tuiasi Ro Ro Images Omm Proiect Om 1 Cda 202013 2016 Pdf

Cric Cu Piulita Rotitoare Proiect 1 Grosu Constant In Pdf

Cric Cu Piulita Rotitoare Proiect 1 Grosu Constant In Pdf

Mecanisme Cu Surub Si Piuliţă Soluţii Constructive

Mecanisme Cu Surub Si Piuliţă Soluţii Constructive

Indrumar De Proiectare Surub Piulita

Indrumar De Proiectare Surub Piulita

Source : pinterest.com